19.05MM 上层公 下层母 双层D-SUB
产品分类:D-SUB连接器
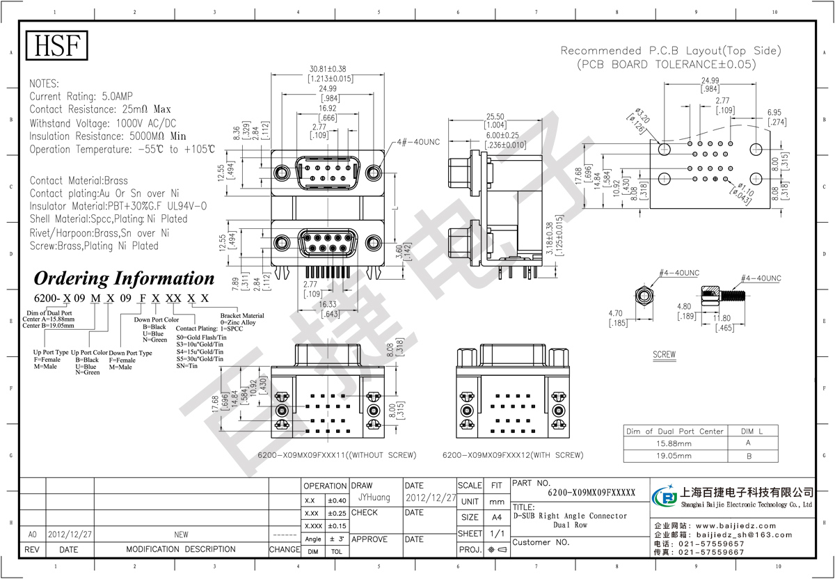
产品型号:19.05MM 上层公 下层母 双层D-SUB
技术参数:额定电流:5.0amp电流电阻:25mΩ最大绝缘电阻:5000mΩmin耐压:1000V AC /分钟工作温度:55﹣℃+ 105℃接触材料:黄铜触点电镀金或锡镍绝缘体材质:聚酯(UL94V-0)标准:PBT的+ 30%广发外壳材质:SPCC、镀:镀镍/鱼叉:黄铜、锡-镍丝材料:黄铜镀镍,电镀:
产品用料:产品材料采用德国及日本进口塑胶原材料,保证产品质量的可靠性,稳定性。
生产设备:本公司引进台湾、日本进口注塑设备每每6~7秒钟开模一次、冲床冲速可达1300次/每分钟
产品品质:严格按照汽车及高端电子行业品质管理体系的要求管控生产管理的每一个环节。
服务客户:产品设计、开发、模具生产一体化,为每一位客户提供一条龙式服务,解决您的后顾之忧。
